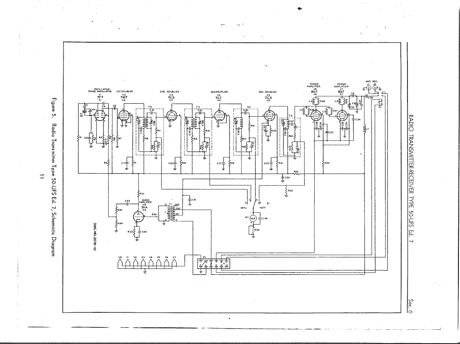
Link 50-UFS Low-Band VHF Tranceiver

Service Manual and Schematics

Home|Previous Page|Next Page

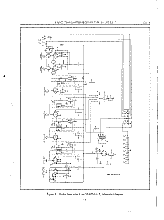
l0000000112.gif
93.04 Kb
870 x 1165

Page 13 of 26