Firing the SSY1 ND:YAG LASER


What can be said, but that this is a fun little device. It's also the only part of an Abrams tank I will likely ever own. The SSY1 laser was used in the tank's rangefinder. These ND:YAG lasers have been replaced with an eye-safe kind. These surplus lasers are great for educational purposes.

The original pulse forming network of a 36uF low-ESR capacitor charged to 800VDC and a 30uH inductor was used. To trigger the flashlamp, the pulse fom an old photoflash unit was used. The photoflash unit only produces 400VDC which was not enough to fire the laser's pump lamp. Two large tube-type high voltage power supplies were put in series to make the 800V. Later, the photoflash unit will be modified wit a voltage doubler to produce the 800V. More about the PFM can be found, along with much more info about this laser, in "Sam's Laser FAQ" at or near http://www.repairfaq.org/sam/laserscl.htm#sclsy1

It was exremely easy to get the laser to work the first time. A child could do it. At this point the usual thing should be harped on again, tirelessly ad nauseam. We have all heard it before. It's not so much that some idiot will look into the laser, it is more likely that a reflection could come back from an unintended target and strike the eye. one should use laser safety glasses when working with this unit. If one does not have them, closing the eyes during firing is better than nothing. Or one may enclose the experiment. Anyone who is not qualified to use a laser safely is welcome to send it to me complete and postpaid and I will dispose of it for them without making any personal judgements, as a form of community service. Use this disclaimer.


100_3357.MOV
A series of test shots. 13MB video.
100_3367.MOV
One shot. 350KB video.
100_3368.MOV
Using a telescope to focus the beam. 574KB video. Alot of extraneous light that is not part of the beam enters the telescope and appears as the large dot of light. The focused LASER beam is the small white spot.
100_3369.MOV
Two shots with payback at at half speed. 2.7MB video. The first shot removed alot of material, and therefore appears unfocused because the cloud of vaporized ink is illuminated by the beam and obscures its true shape from the camera. The second shot appears more in keeping with the usual round beam.
17ms.gif
640x480 Animated GIF file with increased brightnes showing the smoke better. 2.7MB file.
200_3371.jpg
Frame of video during the first shot.
200_3384.jpg
Frame of video during the second shot.
300_3355.jpg
Enhanced look at the ink target showing what looks like a TEM02 pattern in the ablated area.
300_3364.jpg
The target after some shots through a telescope and then more shots without. The two small dots are from different focus size of the telescope. The smallest white dot was where one shot took all the ink off due to the very good focus. The laerger white dot is a poor focus. The TEM can barely be seen in the unfocused ablated areas.
400_3362.jpg
Setup on top of the power supply rack. From lower right, clockwise: 12V power supply for flashlamp trigger from old photoflash unit, the photoflash guts, SSY1 PFN, the SSY1 laser head itself, the telescope, the target.
400_3365.jpg
The power supplies. Nothing anywhere near this large size is necessary. Two of the vacuum-tube-regulated 0-400V supplies were put in series to make 800V for the laser. Tube gear rocks.
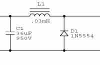
pfnssy1.gif
Pulse forming network. The charging supply connects at the left. The laser flashlamp connects at the right. The purpose of the inductor is to slow down the rise in current flow from the capacitor through the flashlamp so that the pulse of current (and light) lasts long enough to both pump the YAG crystal and then activate the optically triggered Q-switch, as well as preventing damage to the flashlamp by a huge and very short spike of current. See Sam's FAQ for the entire schematic and more information.



they say smoking is bad.. looks OK to me!